Commercial & Industrial

Energizing Commercial and Industrial Operations

Enhance the Energy That Drives Your Industry

Commercial and industrial organizations depend on high quality power to keep their equipment operating at peak performance. At Powerside, we turn power quality problems into operational opportunities — helping eliminate waste and optimize systems across your full facility.

Don’t Let Power Problems Slow You Down

From maximizing uptime to lowering operational costs, power quality is key to productivity. For large commercial and industrial organizations, not addressing these issues can lead to:

Power monitoring

Equipment Malfunctions, Downtime and Premature Failures

Data driven

Higher Energy Costs and Utility Network Penalties

Optimize solutions

Increased Maintenance and Repair Costs Due to Lengthy Troubleshooting

Accelerate repairs

Diminished Equipment Performance and Reduced Productivity

Reach Your Full Energy Potential With Powerside

As industry leaders in power quality solutions, we provide the technology, service and expertise to tackle your biggest power problems.

Talk to Us

Relevant Solutions

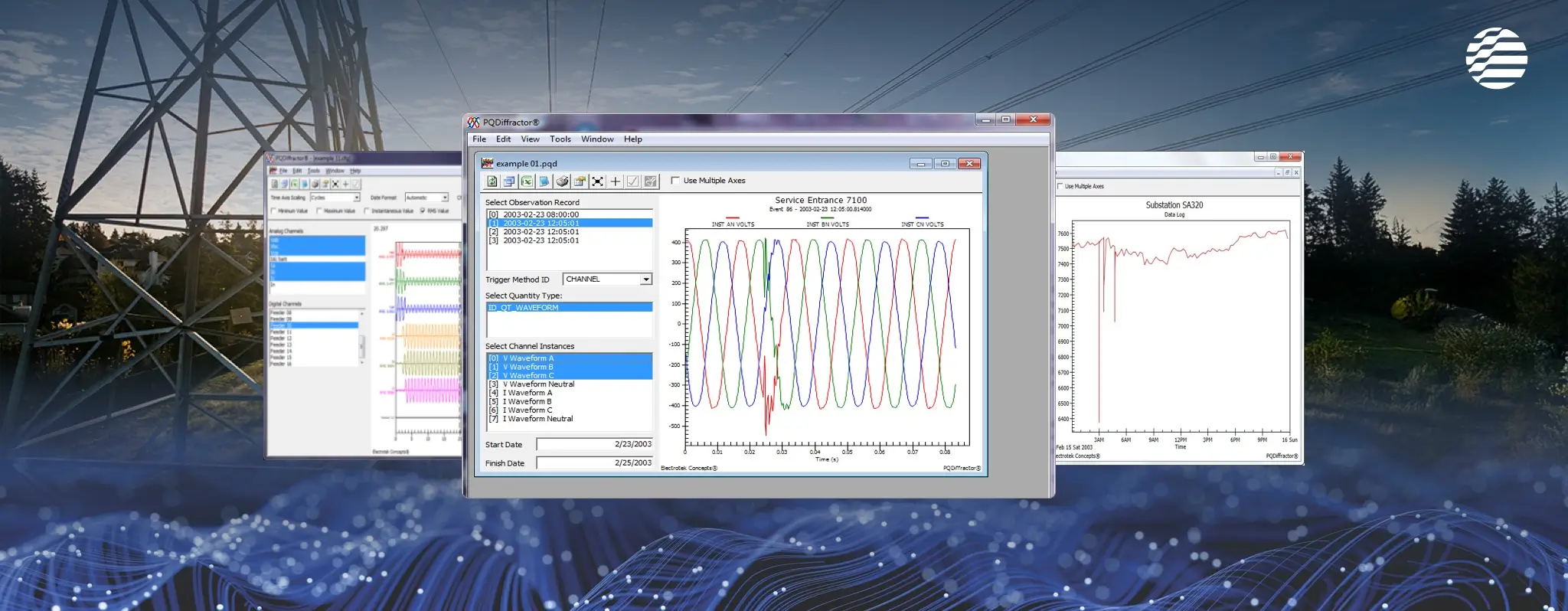
PQube® 3 Power Analyzers

PQube® 3 Power Analyzer

Our ultra-precise analyzers give you real-time insights into power quality and environmental conditions that impact your operations. Get secure remote monitoring and custom alerts so you can tackle small issues before they become big problems.

Metal Enclosed Medium Voltage Filter Banks

PowerMVar Metal Enclosed Medium Voltage Filter Banks

Take control of your power systems with our medium voltage capacitor and filter banks. Custom built. Factory tested. Shipped fully assembled and ready for interconnection.

Power System Analysis Portable PQube® 3

Power System Analysis

Not sure what you need? Not a problem. With our power system analysis service, you’ll get a comprehensive report assessing the health of your entire system — and expert recommendations to address your unique needs.

DriveScan MV Drive Monitoring Software

DriveScan

Enhance visibility with our unique software monitoring solution for variable frequency drives. Equipped with patented artificial intelligence capabilities, DriveScan effectively identifies potential failure points well before they lead to downtime.

Rugged Wall-Mount

Rugged Wall-Mount Package

The perfect combination of accessibility and durability, our Rugged Wall-Mount Package ensures your PQube 3 Power Analyzers are always protected and readily available — even in harsh outdoor environments and industrial spaces.